Silicon Steel EI Core
Silicon Steel EI Core

Silicon Steel EI Core

Silicon Content : 0.5%-4.5%
Manufacturing Process : cutting and stacking
Applications : power, electrical, and military industries
Fast Delivery
Techanical Guidance
Quality Assurance
Competitive Price
Customized Services
24-Hour Online Service
Introduction:

Silicon steel EI core, also known as electrical steel EI cores, serves as the fundamental building components of transformers, inductors, and other electrical devices. Composed of high-quality silicon steel, this core is intricately designed to minimize energy loss and maximize efficiency in electrical circuits, making it an indispensable material in the realm of electrical engineering. At Baowu Special Steel, we offer both grain oriented silicon steel ei core and non-oriented silicon steel ei core for sale. If you need, feel free to contact us~

Structure of Silicon Steel EI Cores

The “EI” refers to the shape of the core, which is formed in the shape of the letters “E” and “I” when viewed in profile. This configuration allows for efficient magnetic flux paths within the core while optimizing the space in the device.

E-Lamination: The “E” part of the core consists of a series of thin silicon steel laminations that are stacked together. These laminations are typically coated with an insulating material to reduce eddy current losses.

I-Lamination: The “I” part of the core is a single lamination that fits into the “E” laminations, completing the magnetic circuit. The “I” lamination is also made from silicon steel and is designed to enhance the magnetic coupling between the two parts.

 

Manufacturing Process of Silicon Steel EI Cores

The manufacturing process of silicon steel EI cores involves several steps:

1. Steel Production: Silicon steel is produced by alloying iron with silicon (typically 2-4% silicon) and other elements. The steel is then processed to achieve the desired magnetic properties.

2. Lamination Cutting: The silicon steel sheets are cut into thin laminations using precision cutting techniques. The thickness of the laminations is carefully controlled to optimize performance.

3. Insulation Coating: Each lamination is coated with an insulating material, such as varnish or oxide, to reduce eddy current losses. This coating is essential for maintaining the efficiency of the core.

4. Stacking and Assembly: The E and I laminations are stacked together to form the complete silicon steel EI core. The laminations are held in place using mechanical fasteners or adhesive bonding.

5. Final Processing: The assembled EI silicon steel core may undergo additional processing, such as annealing, to improve its magnetic properties and reduce residual stresses.

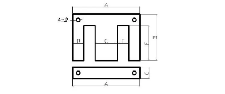
Parameter:

Silicon Steel EI Core Dimension

Model A B C D E F G Hole(Φ)
EI-28 28 21 8 4 6 17 4  
EI-30 30 20 10 5 5 15 5  
EI-35 35 24.5 10 5 7.5 19.5 5  
EI-38.4 38.4 25.6 12.8 6.4 6.4 19.2 6.4  
EI-38.4 38.4 44.8 12.8 6.4 6.4 38.4 6.4  
EI-41 41 27 13 6 8 21 6 3.2
EI-42 42 28 14 7 7 21 7 3.5
EI-48 48 32 16 8 8 24 8 3.5
EI-50 50 34 14 9 9 25 8  
EI-54 54 36 18 9 9 27 9 3.5
EI-57 57 38 19 9.5 9.5 28.5 9.5 4.0
EI-60 60 40 20 10 10 30 10 3.5
EI-66 66 44 22 11 11 33 11 4.5
EI-75 75 50 25 12.5 12.5 37.5 12.5  
EI-76.2 76.2 50.8 25.4 12.7 12.7 38.1 12.7 5.0
EI-78 78 52 26 13 13 39 13 5.0
EI-78 78 53 22 14 14 39 14 5.0
EI-84 84 56 28 14 14 42 14 5.0
EI-85.8 85.8 57.2 28.6 14.3 14.3 42.9 14.3 5.0
EI-96 96 64 32 16 16 48 16 6.3
EI-105 105 70 35 17.5 17.5 52.5 17.5 6.0
EI-108 108 72 36 18 18 54 18 5.5
EI-114 114 76 38 19 19 57 19 7.0
EI-120 120 80 40 20 20 60 20 7.0
EI-126 126 84 42 21 21 63 21 14.0
EI-132 132 88 44 22 22 66 22 7.0
EI-133.2 133.2 88.8 44.4 22.2 22.2 66.6 22.2 7.0
EI-144 144 98 40 26 26 72 26 7.0
EI-150 150 100 50 25 25 75 25 8.0
EI-152.4 152.4 101.6 50.8 25.4 25.4 76.2 25.4 8.0
EI-162 162 108 54 27 27 81 27 8.0
EI-168 168 112 56 28 28 84 28 10.0
EI-171 171 114 57 28.5 28.5 85.5 28.5 9.0
EI-174 174 116 58 29 29 87 29 10.5
EI-180 180 120 60 30 30 90 30 9.0
EI-192 192 128 64 32 32 96 32 10.0
EI-210 210 140 70 35 35 105 35 10.0
EI-240 240 160 80 40 40 120 40 12.0
EI-228* 228 152 76 38 38 114 38 12.0
EI-270* 270 180 90 45 45 135 35 11.8
EI-300* 300 200 100 50 50 150 50 12.0
EI-360* 360 240 120 60 60 180 60 12.0

Note: Those with * are all manually punched.

Get Inquiry
Name *
Phone *
Email *
Country
Message *
0 of 200 max characters.
Get Inquiry
Name *
Phone *
Email *
Country
Message *
0 of 200 max characters.